Peerless NSM-0515R00-16
4Ω
16Ω
Woofer
| Nominal diameter | 5″ / 133 mm |
| Resonance | 110 Hz |
| Q factor | 0.32 |
| Sensitivity | 90.8 dB |
| Linear excursion | ± 5.5 mm |
| Program power | 260 W |
.jpg)
.jpg)
Specifications
- Sensitivity (1W, 1m, infinite baffle) SPL1W 90.8dB
- Frequency response 100 - 1000Hz
Thiele & Small parameters
- Resonance frequency (free air) fS 110Hz
- Mechanical quality factor QMS 2.07
- Electrical quality factor QES 0.38
- Total quality factor QTS 0.32
Large signal parameters
- Maximum linear excursion (one way) xmax 5.5mm
- Air volume displaced at xmax VD 53cm³
- Power handling P 130W
- Program power Pmax 260W
Voice Coil
- Nominal impedance Z 16Ω
- DC resistance RE 16.0Ω
- Inductance (1kHz) LE 0.337mH
- VC Diameter 38.4mm
Magnet
- Force factor Bl 19.6N/A
- Motor constant Bl/√RE 4.9N/√W
- Air gap height HAG 6mm
- Material Neodymium
Diaphragm
- Effective diameter 110mm
- Effective area SD 95cm²
- Moving mass (including air load) MMS 12.8g
- Moving mass MMD 12.1g
Suspensions
- Stiffness KMS 6.67N/mm
- Compliance CMS 150µm/N
- Equivalent volume to the compliance VAS 1.93L
- Mechanical resistance RMS 4.27N·s/m
- Surround material Fabric
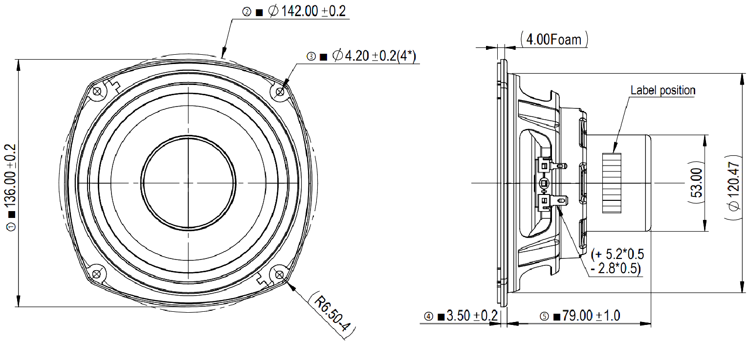
Dimensions
- Nominal diameter 5″
- 133mm
- Volume occupied by the driver (estimated) 0.29L
- Net weight 0.745kg
.png)
.png)
Export this driver to a box design software:
Closed Box Simulator·
Speakerbench
WinISD
Basta!
Hornresp
QSpeakers
SpeakerSim
MfbLabs
Amplion
.jpg.webp)
.png.webp)
.png.webp)
.jpg.webp)